BLITZDUCTORconnect – Modular

Lightning current and surge arrester for universal use
  • protecting measuring and control circuits, bus and telecommunication systems
  • High total discharge capacity of 3 kA (10/350 µs), 10 kA (8/20 µs)
  • Max. impulse current carrying capability (8/20 µs) Imax up to 20 kA
  • Low voltage protection level, also capable of protecting terminal equipment
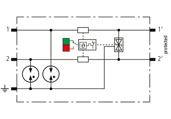
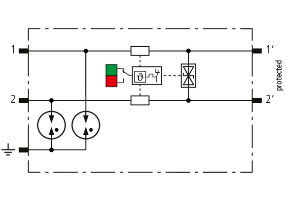
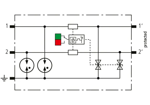
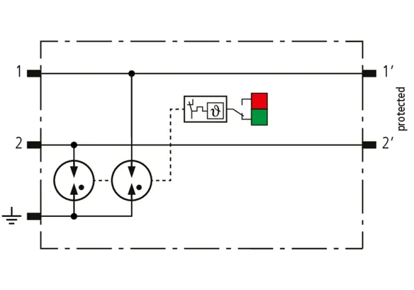
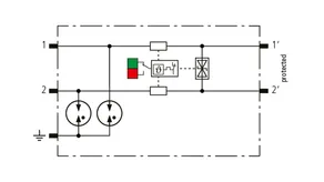
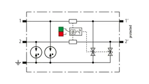
Arrester separable into module and base part
  • Fast and simple conductor connection thanks to push-in connection terminals
  • All protection components integrated in the module
  • secR release buttons on both sides for safe module replacement
  • High system availability thanks to fail-safe performance
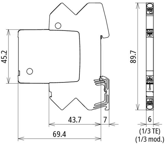
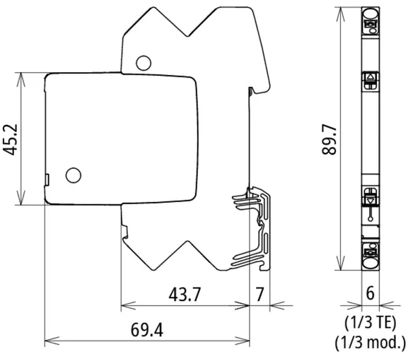
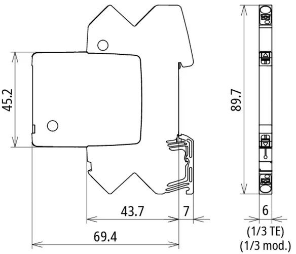
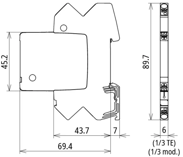
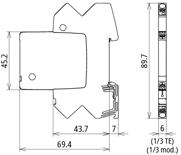
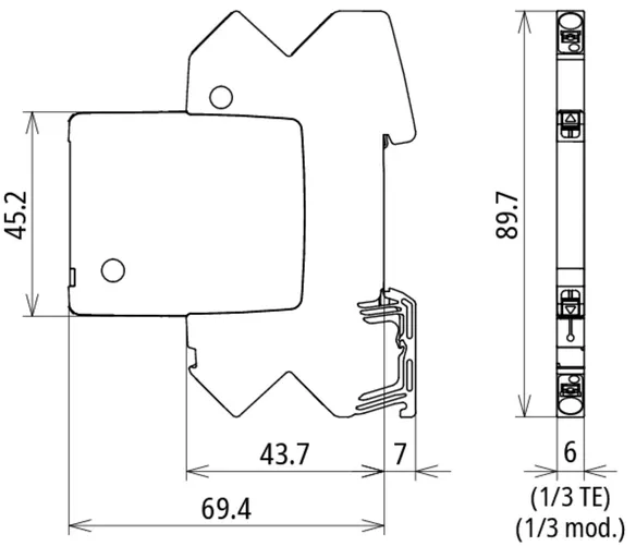
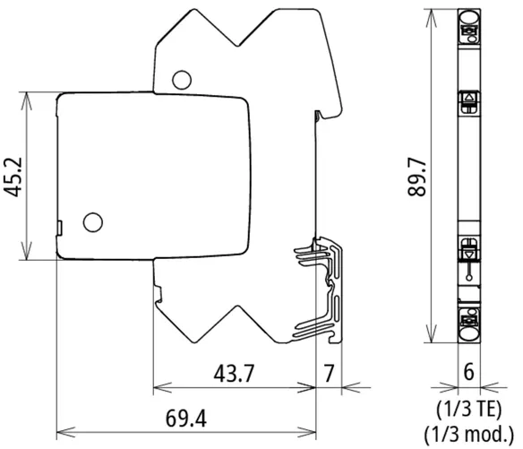
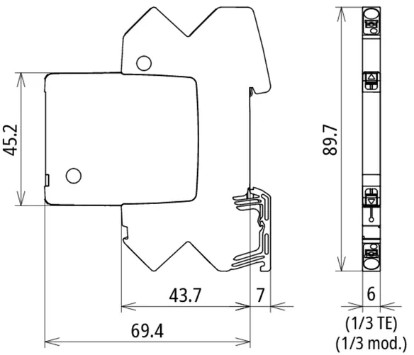
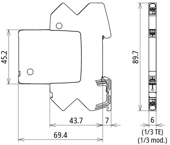
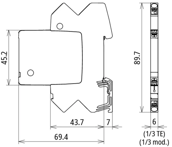
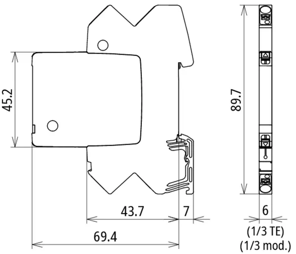
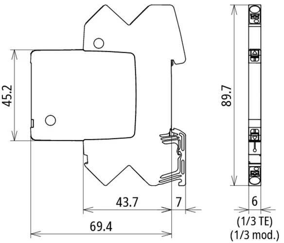
Function-optimised design with a width of 6 mm
  • LifeCheck and visual status indication integrated in the module
  • Simple remote signalling of the status with the help of an optional remote signalling unit
  • Tool-free signal circuit disconnection for maintenance purposes
  • Vibration and shock-tested for safe operation

Details

Connect = Protect
Simple status message with monitoring unit for arrester groups
lorem ipsum
Maximum system availability
Approvals for use in intrinsically safe measuring circuits
lorem ipsum
Quickly tested – at a glance
Integrated indication for easy and fast maintenance
lorem ipsum
Securely locked precisely removed
secR release buttons on both sides for safe handling
lorem ipsum

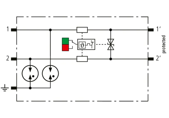
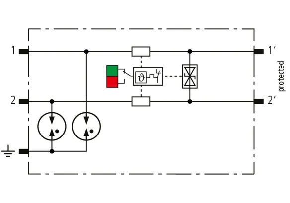
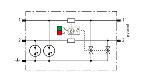
BCO ML2 B 180

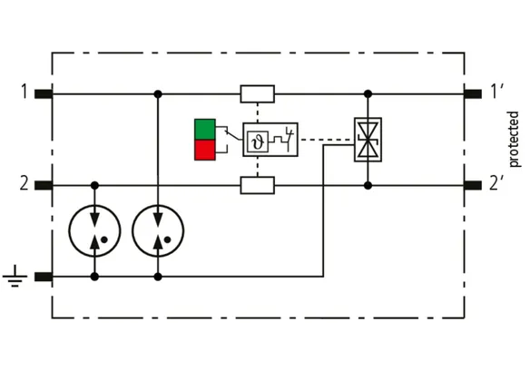
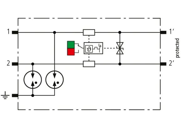
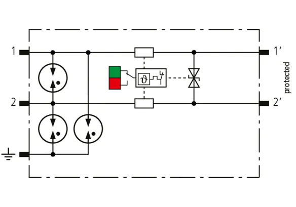
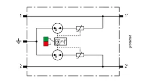
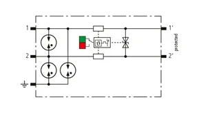
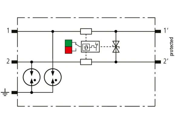
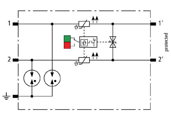
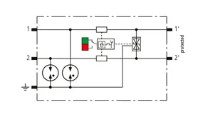
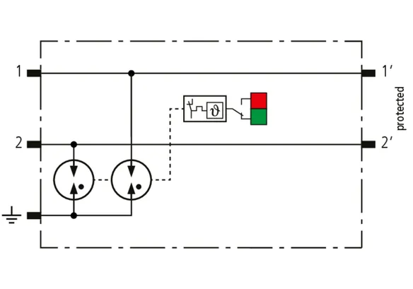
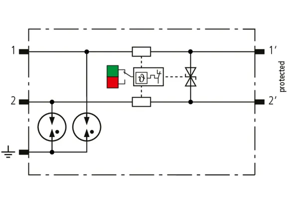
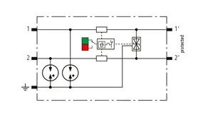
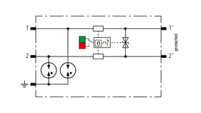
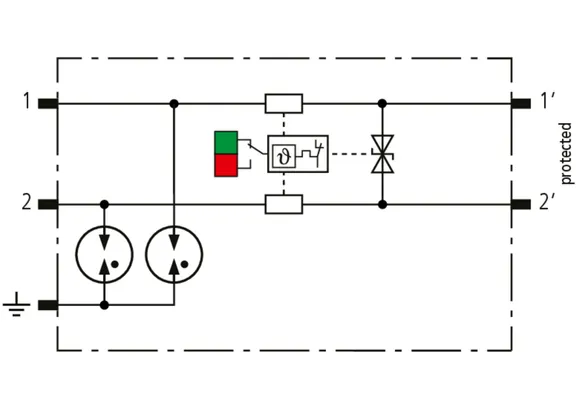
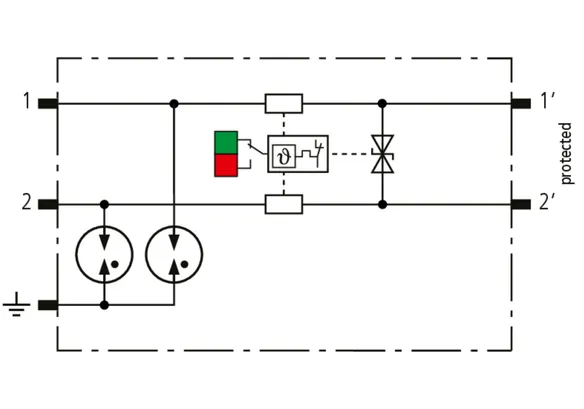
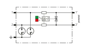
Space-saving, modular lightning current arrester with a width of 6 mm and push-in connection technology with status indication for protecting two single lines for lightning equipotential bonding as well as indirect earthing of shielded cables. With signal disconnection for maintenance purposes.

1 Product

Part No. 927210 BCO ML2 B 180

GTIN 4013364405585, Customs tariff No. (EU): 85363010, Gross weight: 57.75 g, PU: 1.00 pc(s)


Images

Additional information

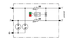
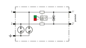
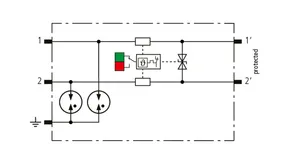
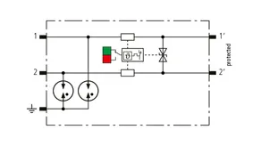
Lightning current arrester BLITZDUCTORconnect ML2 B 180
Modular, pluggable lightning current arrester for protecting
two single lines for lightning equipotential bonding as well
as indirect earthing of shielded cables
Tested to EN/IEC 61643-21 and energy coordinated according
to IEC 61643-22
SPD class: type 1
Impulse category: C2, C3, B2, D1
Status indication, width of 6 mm
Max. continuous operating voltage: 180.0 V DC / 127.0 V AC
Nominal current at 80°C: 1.2 A
C2 nominal discharge current per line (8/20): 5 kA
C2 total nominal discharge current (8/20): 10 kA
D1 lightning impulse current (10/350 µs) per line: 1.5 kA
D1 total lightning impulse current (10/350 µs): 3 kA
with signal disconnection for maintenance purposes
Cable connection: Push-in

Brand: DEHN
Type: BCO ML2 B 180
Part No.: 927210
or equivalent.

Certificates

 

Technical data

SPD class A
Nominal voltage (UN ) 180 V
Max. continuous operating voltage (d.c.) (UC ) 180 V
D1 Lightning impulse current (10/350 µs) per line (Iimp ) 1.5 kA
C2 Total nominal discharge current (8/20 µs) (In ) 10 kA
Series resistance per line 0 ohm(s)
Approvals UL 497B, CSA, ATEX, IECEx, CCC, SIL
*) For details, see: www.dehn-international.com

Product 927210 was added to Notepad.

Product 927210 was added to the cart.


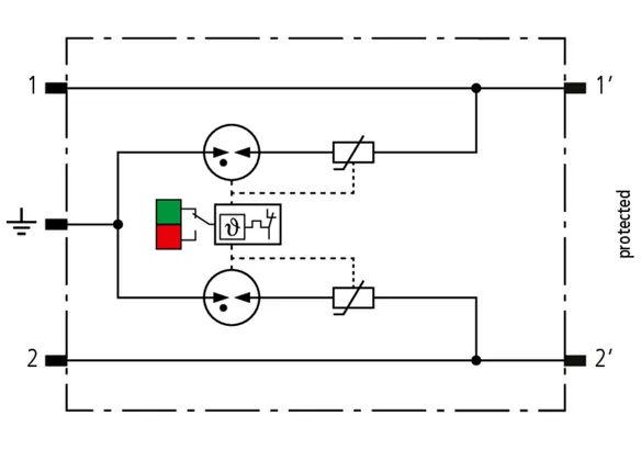
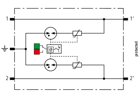
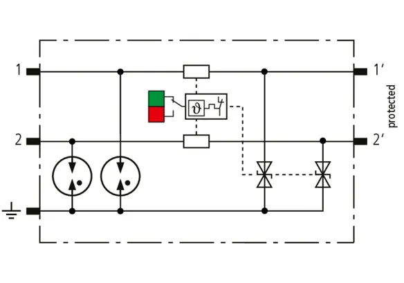
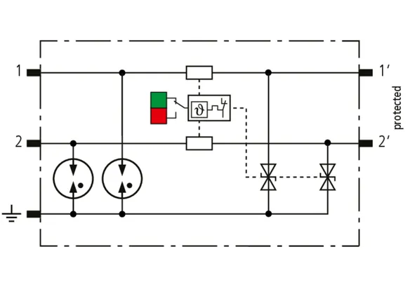
BCO ML2 BE

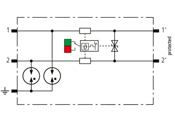
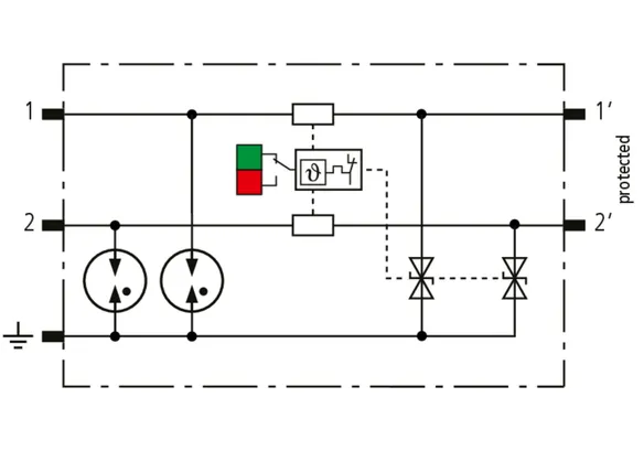
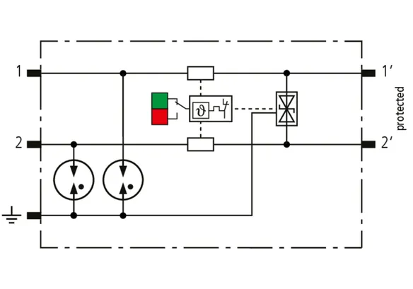
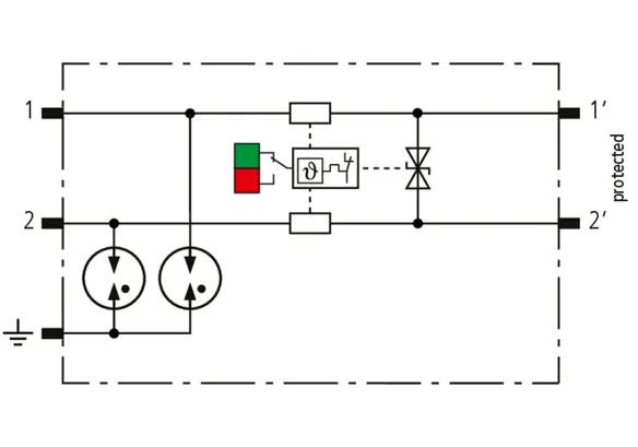
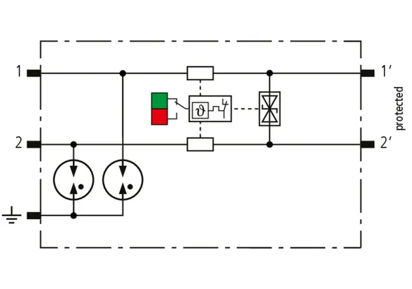
Space-saving, modular combined arrester with a width of 6 mm and push-in connection technology with status indication for protecting two single lines sharing a common reference potential as well as unbalanced interfaces. With signal disconnection for maintenance purposes.

4 Products

Part No. 927222 BCO ML2 BE 12

GTIN 4013364405592, Customs tariff No. (EU): 85363010, Gross weight: 59.19 g, PU: 1.00 pc(s)

Predecessor

Images

Additional information

Combined arrester BLITZDUCTORconnect ML2 BE 12
Modular, pluggable combined arrester for protecting
two single lines sharing a common reference potential
as well as unbalanced interfaces
Tested to EN/IEC 61643-21 and energy coordinated according
to IEC 61643-22
SPD class: type 1 / P1
Impulse category: C1, C2, C3, B2, D1
Status indication, width of 6 mm
Max. continuous operating voltage: 15.0 V DC / 10.6 V AC
Nominal current at 70°C: 0.75 A
C2 nominal discharge current per line (8/20): 5 kA
C2 total nominal discharge current (8/20): 10 kA
D1 lightning impulse current (10/350 µs) per line: 1.5 kA
D1 total lightning impulse current (10/350 µs): 3 kA
with signal disconnection for maintenance purposes
Cable connection: Push-in

Brand: DEHN
Type: BCO ML2 BE 12
Part No.: 927222
or equivalent.

Certificates

 

Technical data

SPD class M
Nominal voltage (UN ) 12 V
Max. continuous operating voltage (d.c.) (UC ) 15 V
Nominal current at 70 °C (IL ) 0.75 A
D1 Lightning impulse current (10/350 µs) per line (Iimp ) 1.5 kA
C2 Total nominal discharge current (8/20 µs) (In ) 10 kA
Series resistance per line 1 ohm(s)
Cut-off frequency line-line (fG ) 1.4 MHz
Approvals UL 479B, CSA, ATEX, IECEx, CCC, SIL
*) For details, see: www.dehn-international.com

Product 927222 was added to Notepad.

Product 927222 was added to the cart.

Part No. 927224 BCO ML2 BE 24

GTIN 4013364405608, Customs tariff No. (EU): 85363010, Gross weight: 59.68 g, PU: 1.00 pc(s)

Predecessor

Images

Additional information

Combined arrester BLITZDUCTORconnect ML2 BE 24
Modular, pluggable combined arrester for protecting
two single lines sharing a common reference potential
as well as unbalanced interfaces
Tested to EN/IEC 61643-21 and energy coordinated according
to IEC 61643-22
SPD class: type 1 / P1
Impulse category: C1, C2, C3, B2, D1
Status indication, width of 6 mm
Max. continuous operating voltage: 33.0 V DC /23.3 V AC
Nominal current at 70°C: 0.75 A
C2 nominal discharge current per line (8/20): 5 kA
C2 total nominal discharge current (8/20): 10 kA
D1 lightning impulse current (10/350 µs) per line: 1.5 kA
D1 total lightning impulse current (10/350 µs): 3 kA
with signal disconnection for maintenance purposes
Cable connection: Push-in

Brand: DEHN
Type: BCO ML2 BE 24
Part No.: 927224
or equivalent.

Certificates

 

Technical data

SPD class M
Nominal voltage (UN ) 24 V
Max. continuous operating voltage (d.c.) (UC ) 33 V
Nominal current at 70 °C (IL ) 0.75 A
D1 Lightning impulse current (10/350 µs) per line (Iimp ) 1.5 kA
C2 Total nominal discharge current (8/20 µs) (In ) 10 kA
Series resistance per line 1 ohm(s)
Cut-off frequency line-line (fG ) 3.4 MHz
Approvals UL 497B, CSA, ATEX, IECEx, CCC, SIL
*) For details, see: www.dehn-international.com

Product 927224 was added to Notepad.

Product 927224 was added to the cart.

Part No. 927225 BCO ML2 BE 48

GTIN 4013364405615, Customs tariff No. (EU): 85363010, Gross weight: 58.22 g, PU: 1.00 pc(s)

Predecessor

Images

Additional information

Combined arrester BLITZDUCTORconnect ML2 BE 48
Modular, pluggable combined arrester for protecting
two single lines sharing a common reference potential
as well as unbalanced interfaces
Tested to EN/IEC 61643-21 and energy coordinated according
to IEC 61643-22
SPD class: type 1 / P1
Impulse category: C1, C2, C3, B2, D1
Status indication, width of 6 mm
Max. continuous operating voltage: 54.0 V DC / 38.1 V AC
Nominal current at 70°C: 0.75 A
C2 nominal discharge current per line (8/20): 5 kA
C2 total nominal discharge current (8/20): 10 kA
D1 lightning impulse current (10/350 µs) per line: 1.5 kA
D1 total lightning impulse current (10/350 µs): 3 kA
with signal disconnection for maintenance purposes
Cable connection: Push-in

Brand: DEHN
Type: BCO ML2 BE 48
Part No.: 927225
or equivalent.

Certificates

 

Technical data

SPD class M
Nominal voltage (UN ) 48 V
Max. continuous operating voltage (d.c.) (UC ) 54 V
Nominal current at 70 °C (IL ) 0.75 A
D1 Lightning impulse current (10/350 µs) per line (Iimp ) 1.5 kA
C2 Total nominal discharge current (8/20 µs) (In ) 10 kA
Series resistance per line 1 ohm(s)
Cut-off frequency line-line (fG ) 5 MHz
Approvals UL 497B, CSA, ATEX, IECEx, CCC, SIL
*) For details, see: www.dehn-international.com

Product 927225 was added to Notepad.

Product 927225 was added to the cart.

Part No. 927227 BCO ML2 BE 180

GTIN 4013364468658, Customs tariff No. (EU): 85363010, Gross weight: 58.85 g, PU: 1.00 pc(s)

Predecessor

Images

Additional information

Combined arrester BLITZDUCTORconnect ML2 BE 180
Modular, pluggable combined arrester
for protecting two single lines sharing a common
reference potential as well as unbalanced interfaces
Tested to EN/IEC 61643-21 and energetically
coordinated according to IEC 61643-22
SPD class type 1 / P1
Impulse category: C1, C2, C3, B2, D1
Status indication, width of 6 mm
Max. continuous operating voltage: 180 V DC / 127 V AC
Nominal current at 70°C: 0.5 A
C2 nominal impulse discharge current per line (8/20): 5 kA
C2 total nominal impulse discharge current (8/20): 10 kA
D1 lightning current impulse (10/350 µs) per line: 1.5 kA
D1 total lightning impulse current (10/350 µs): 3 kA
with signal disconnection for maintenance purposes
Conductor connection: Push-in

Brand: DEHN
Type: BCO ML2 BE 180
Part No.: 927227
or equivalent.

Certificates

 

Technical data

SPD class M
Nominal voltage (UN ) 180 V
Max. continuous operating voltage (d.c.) (UC ) 180 V
Nominal current at 70 °C (IL ) 0.5 A
D1 Lightning impulse current (10/350 µs) per line (Iimp ) 1.5 kA
C2 Total nominal discharge current (8/20 µs) (In ) 10 kA
Series resistance per line 1.8 ohm(s)
Cut-off frequency line-line (fG ) 10 MHz
Approvals UL 497B, SIL
*) For details, see: www.dehn-international.com

Product 927227 was added to Notepad.

Product 927227 was added to the cart.


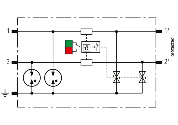
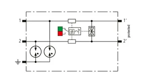
BCO ML2 BD

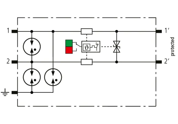
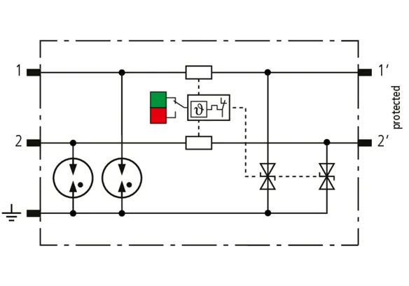
Space-saving, modular combined arrester with a width of 6 mm and push-in connection technology with status indication for protecting one pair of unearthed balanced interfaces. With signal disconnection for maintenance purposes.

4 Products

Part No. 927242 BCO ML2 BD 12

GTIN 4013364405622, Customs tariff No. (EU): 85363010, Gross weight: 58.35 g, PU: 1.00 pc(s)

Predecessor

Images

Additional information

Combined arrester BLITZDUCTORconnect ML2 BD 12
Modular, pluggable combined arrester for protecting
one pair of unearthed balanced interfaces
Tested to EN/IEC 61643-21 and energy coordinated according
to IEC 61643-22
SPD class: type 1 / P2
Impulse category: C1, C2, C3, B2, D1
Status indication, width of 6 mm
Max. continuous operating voltage: 15.0 V DC / 10.6 V AC
Nominal current at 70°C: 0.75 A
C2 nominal discharge current per line (8/20): 5 kA
C2 total nominal discharge current (8/20): 10 kA
D1 lightning impulse current (10/350 µs) per line: 1.5 kA
D1 total lightning impulse current (10/350 µs): 3 kA
with signal disconnection for maintenance purposes
Cable connection: Push-in

Brand: DEHN
Type: BCO ML2 BD 12
Part No.: 927242
or equivalent.

Certificates

 

Technical data

SPD class L
Nominal voltage (UN ) 12 V
Max. continuous operating voltage (d.c.) (UC ) 15 V
Nominal current at 70 °C (IL ) 0.75 A
D1 Lightning impulse current (10/350 µs) per line (Iimp ) 1.5 kA
C2 Total nominal discharge current (8/20 µs) (In ) 10 kA
Series resistance per line 1 ohm(s)
Cut-off frequency line-line (fG ) 2.6 MHz
Approvals UL 497B, CSA, ATEX, IECEx, CCC, SIL
*) For details, see: www.dehn-international.com

Product 927242 was added to Notepad.

Product 927242 was added to the cart.

Part No. 927244 BCO ML2 BD 24

GTIN 4013364405639, Customs tariff No. (EU): 85363010, Gross weight: 58.64 g, PU: 1.00 pc(s)

Predecessor

Images

Additional information

Combined arrester BLITZDUCTORconnect ML2 BD 24
Modular, pluggable combined arrester for protecting
one pair of unearthed balanced interfaces
Tested to EN/IEC 61643-21 and energy coordinated according
to IEC 61643-22
SPD class: type 1 / P2
Impulse category: C1, C2, C3, B2, D1
Status indication, width of 6 mm
Max. continuous operating voltage: 36.0 V DC / 25.4 V AC
Nominal current at 70°C: 0.75 A
C2 nominal discharge current per line (8/20): 5 kA
C2 total nominal discharge current (8/20): 10 kA
D1 lightning impulse current (10/350 µs) per line: 1.5 kA
D1 total lightning impulse current (10/350 µs): 3 kA
with signal disconnection for maintenance purposes
Cable connection: Push-in

Brand: DEHN
Type: BCO ML2 BD 24
Part No.: 927244
or equivalent.

Certificates

 

Technical data

SPD class L
Nominal voltage (UN ) 24 V
Max. continuous operating voltage (d.c.) (UC ) 36 V
Nominal current at 70 °C (IL ) 0.75 A
D1 Lightning impulse current (10/350 µs) per line (Iimp ) 1.5 kA
C2 Total nominal discharge current (8/20 µs) (In ) 10 kA
Series resistance per line 1 ohm(s)
Cut-off frequency line-line (fG ) 5.8 MHz
Approvals UL 497B, CSA, ATEX, IECEx, CCC, SIL
*) For details, see: www.dehn-international.com

Product 927244 was added to Notepad.

Product 927244 was added to the cart.

Part No. 927245 BCO ML2 BD 48

GTIN 4013364405646, Customs tariff No. (EU): 85363010, Gross weight: 58.49 g, PU: 1.00 pc(s)

Predecessor

Images

Additional information

Combined arrester BLITZDUCTORconnect ML2 BD 48
Modular, pluggable combined arrester for protecting
one pair of unearthed balanced interfaces
Tested to EN/IEC 61643-21 and energy coordinated according
to IEC 61643-22
SPD class: type 1 / P2
Impulse category: C1, C2, C3, B2, D1
Status indication, width of 6 mm
Max. continuous operating voltage: 56.0 V DC / 39.6 V AC
Nominal current at 70°C: 0.75 A
C2 nominal discharge current per line (8/20): 5 kA
C2 total nominal discharge current (8/20): 10 kA
D1 lightning impulse current (10/350 µs) per line: 1.5 kA
D1 total lightning impulse current (10/350 µs): 3 kA
with signal disconnection for maintenance purposes
Cable connection: Push-in

Brand: DEHN
Type: BCO ML2 BD 48
Part No.: 927245
or equivalent.

Certificates

 

Technical data

SPD class L
Nominal voltage (UN ) 48 V
Max. continuous operating voltage (d.c.) (UC ) 56 V
Nominal current at 70 °C (IL ) 0.75 A
D1 Lightning impulse current (10/350 µs) per line (Iimp ) 1.5 kA
C2 Total nominal discharge current (8/20 µs) (In ) 10 kA
Series resistance per line 1 ohm(s)
Cut-off frequency line-line (fG ) 7.2 MHz
Approvals UL 497B, CSA, ATEX, IECEx, CCC, SIL
*) For details, see: www.dehn-international.com

Product 927245 was added to Notepad.

Product 927245 was added to the cart.

Part No. 927247 BCO ML2 BD 180

GTIN 4013364468665, Customs tariff No. (EU): 85363010, Gross weight: 58.92 g, PU: 1.00 pc(s)

Predecessor

Images

Additional information

Combined arrester BLITZDUCTORconnect ML2 BD 180
Modular, pluggable combined arrester
For protecting one pair of unearthed
balanced interfaces
Tested to EN/IEC 61643-21 and
energy-coordinated according to IEC 61643-22
SPD class type 1 / P2
Impulse category: C1, C2, C3, B2, D1
Status indication, width of 6 mm
Max. continuous operating voltage: 180 V DC / 127 V AC
Nominal current at 70°C: 0.5 A
C2 nominal impulse discharge current per line (8/20): 5 kA
C2 total nominal impulse discharge current (8/20): 10 kA
D1 lightning current impulse (10/350 µs) per line: 1.5 kA
D1 total lightning impulse current (10/350 µs): 3 kA
with signal disconnection for maintenance purposes
Conductor connection: Push-in

Brand: DEHN
Type: BCO ML2 BD 180
Part No.: 927247
or equivalent.

Certificates

 

Technical data

SPD class L
Nominal voltage (UN ) 180 V
Max. continuous operating voltage (d.c.) (UC ) 180 V
Nominal current at 70 °C (IL ) 0.5 A
D1 Lightning impulse current (10/350 µs) per line (Iimp ) 1.5 kA
C2 Total nominal discharge current (8/20 µs) (In ) 10 kA
Series resistance per line 1.8 ohm(s)
Cut-off frequency line-line (fG ) 10 MHz
Approvals UL 497B, SIL
*) For details, see: www.dehn-international.com

Product 927247 was added to Notepad.

Product 927247 was added to the cart.


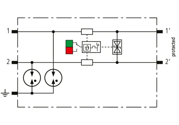
BCO ML2 BE HF

Space-saving, modular combined arrester with a width of 6 mm and push-in connection technology with status indication for protecting two single lines of high-frequency transmissions sharing a common reference potential as well as unbalanced interfaces. With signal disconnection for maintenance purposes.

2 Products

Part No. 927270 BCO ML2 BE HF 5

GTIN 4013364405653, Customs tariff No. (EU): 85363010, Gross weight: 58.57 g, PU: 1.00 pc(s)

Predecessor

Images

Additional information

Combined arrester BLITZDUCTORconnect ML2 BE HF 5
Modular, pluggable combined arrester for protecting
two single lines of high-frequency transmissions sharing
a common reference potential as well as unbalanced interfaces
Tested to EN/IEC 61643-21 and energy coordinated according
to IEC 61643-22
SPD class: type 1 / P1
Impulse category: C1, C2, C3, B2, D1
Status indication, width of 6 mm
Max. continuous operating voltage: 8.5 V DC / 6.0 V AC
Nominal current at 70°C: 0.75 A
Cut-off frequency 100 MHz
C2 nominal discharge current per line (8/20): 5 kA
C2 total nominal discharge current (8/20): 10 kA
D1 lightning impulse current (10/350 µs) per line: 1.5 kA
D1 total lightning impulse current (10/350 µs): 3 kA
with signal disconnection for maintenance purposes
Cable connection: Push-in

Brand: DEHN
Type: BCO ML2 BE HF 5
Part No.: 927270
or equivalent.

Certificates

 

Technical data

SPD class M
Nominal voltage (UN ) 5 V
Max. continuous operating voltage (d.c.) (UC ) 8.5 V
Nominal current at 70 °C (IL ) 0.75 A
D1 Lightning impulse current (10/350 µs) per line (Iimp ) 1.5 kA
C2 Total nominal discharge current (8/20 µs) (In ) 10 kA
Series resistance per line 1 ohm(s)
Approvals UL 497B, CSA, ATEX, IECEx, CCC, SIL
*) For details, see: www.dehn-international.com

Product 927270 was added to Notepad.

Product 927270 was added to the cart.

Part No. 927274 BCO ML2 BE HF 24

GTIN 4013364468559, Customs tariff No. (EU): 85363010, Gross weight: 58.30 g, PU: 1.00 pc(s)


Images

Additional information

Combined arrester BLITZDUCTORconnect ML2 BE HF 24
Modular, pluggable combined arrester
for protecting two single lines of high-frequency
transmissions with a common reference potential
as well as unbalanced interfaces
Tested to EN/IEC 61643-21 and energetically
coordinated according to IEC 61643-22
SPD class type 1 / P1
Impulse category: C1, C2, C3, B2, D1
Status indication, width of 6 mm
Max. continuous operating voltage: 36 V DC / 25.4 V AC
Nominal current at 70°C: 0.75 A
Cut-off frequency 100 MHz
C2 nominal impulse discharge current per line (8/20): 5 kA
C2 total nominal impulse discharge current (8/20): 10 kA
D1 lightning current impulse (10/350 µs) per line: 1.5 kA
D1 total lightning impulse current (10/350 µs): 3 kA
with signal disconnection for maintenance purposes
Conductor connection: Push-in

Brand: DEHN
Type: BCO ML2 BE HF 24
Part No.: 927274
or equivalent.

Certificates

 

Technical data

SPD class M
Nominal voltage (UN ) 24 V
Max. continuous operating voltage (d.c.) (UC ) 36 V
Nominal current at 70 °C (IL ) 0.75 A
D1 Lightning impulse current (10/350 µs) per line (Iimp ) 1.5 kA
C2 Total nominal discharge current (8/20 µs) (In ) 10 kA
Series resistance per line 1 ohm(s)
Approvals UL 497B, SIL
*) For details, see: www.dehn-international.com

Product 927274 was added to Notepad.

Product 927274 was added to the cart.


BCO ML2 BD HF

Space-saving, modular combined arrester with a width of 6 mm and push-in connection technology with status indication for protecting one pair of unearthed, high-frequency bus systems and balanced interfaces. With signal disconnection for maintenance purposes.

2 Products

Part No. 927271 BCO ML2 BD HF 5

GTIN 4013364405660, Customs tariff No. (EU): 85363010, Gross weight: 58.42 g, PU: 1.00 pc(s)

Predecessor

Images

Additional information

Combined arrester BLITZDUCTORconnect ML2 BD HF 5
Modular, pluggable combined arrester for protecting
one pair of unearthed high-frequency bus systems
as well as balanced interfaces
Tested to EN/IEC 61643-21 and energy coordinated according
to IEC 61643-22
SPD class: type 1 / P2
Impulse category: C1, C2, C3, B2, D1
Status indication, width of 6 mm
Max. continuous operating voltage: 8.5 V DC / 6.0 V AC
Nominal current at 70°C: 0.75 A
Cut-off frequency 100 MHz
C2 nominal discharge current per line (8/20): 5 kA
C2 total nominal discharge current (8/20): 10 kA
D1 lightning impulse current (10/350 µs) per line: 1.5 kA
D1 total lightning impulse current (10/350 µs): 3 kA
with signal disconnection for maintenance purposes
Cable connection: Push-in

Brand: DEHN
Type: BCO ML2 BD HF 5
Part No.: 927271
or equivalent.

Certificates

 

Technical data

SPD class L
Nominal voltage (UN ) 5 V
Max. continuous operating voltage (d.c.) (UC ) 8.5 V
Nominal current at 70 °C (IL ) 0.75 A
D1 Lightning impulse current (10/350 µs) per line (Iimp ) 1.5 kA
C2 Total nominal discharge current (8/20 µs) (In ) 10 kA
Series resistance per line 1 ohm(s)
Cut-off frequency line-line (fG ) 100 MHz
Approvals UL 497B, CSA, ATEX, IECEx, CCC, SIL
*) For details, see: www.dehn-international.com

Product 927271 was added to Notepad.

Product 927271 was added to the cart.

Part No. 927275 BCO ML2 BD HF 24

GTIN 4013364468566, Customs tariff No. (EU): 85363010, Gross weight: 58.60 g, PU: 1.00 pc(s)

Predecessor

Images

Additional information

Combined arrester BLITZDUCTORconnect ML2 BD HF 24
Modular, pluggable combined arrester for protecting
1 pair of unearthed high-frequency
bus systems and balanced interfaces
Tested to EN/IEC 61643-21 and energetically
coordinated according to IEC 61643-22
SPD class type 1 / P2
Impulse category: C1, C2, C3, B2, D1
Status indication, width of 6 mm
Max. continuous operating voltage: 36 V DC / 25.4 V AC
Nominal current at 70°C: 0.75 A
Cut-off frequency 100 MHz
C2 nominal impulse discharge current per line (8/20): 5 kA
C2 total nominal impulse discharge current (8/20): 10 kA
D1 lightning current impulse (10/350 µs) per line: 1.5 kA
D1 total lightning impulse current (10/350 µs): 3 kA
with signal disconnection for maintenance purposes
Conductor connection: Push-in

Brand: DEHN
Type: BCO ML2 BD HF 24
Part No.: 927275
or equivalent.

Certificates

 

Technical data

SPD class L
Nominal voltage (UN ) 24 V
Max. continuous operating voltage (d.c.) (UC ) 36 V
Nominal current at 70 °C (IL ) 0.75 A
D1 Lightning impulse current (10/350 µs) per line (Iimp ) 1.5 kA
C2 Total nominal discharge current (8/20 µs) (In ) 10 kA
Series resistance per line 1 ohm(s)
Cut-off frequency line-line (fG ) 100 MHz
Approvals UL 497B, SIL
*) For details, see: www.dehn-international.com

Product 927275 was added to Notepad.

Product 927275 was added to the cart.


BCO ML2 BD HC5A 24

1 Product

Part No. 927254 BCO ML2 BD HC5A 24

GTIN 4013364513419, Customs tariff No. (EU): 85363010, Gross weight: 60.63 g, PU: 1.00 pc(s)


Images

Additional information

Combined arrester BLITZDUCTORconnect ML2 BD HC5A 24
Modular, pluggable combined arrester for protecting
1 pair of unearthed signal circuits
with a high nominal current in IT
systems and measuring and control circuits.
Tested to EN/IEC 61643-21 and energetically
coordinated according to IEC 61643-22
SPD class type 1 / P2
Impulse category: C1, C2, C3, B2, D1
Status indication, width of 6 mm
Max. continuous operating voltage: 36 V DC / 25.4 V AC
Nominal current at 80°C: 5 A
C2 nominal impulse discharge current per line (8/20): 5 kA
C2 total nominal impulse discharge current (8/20): 10 kA
D1 lightning current impulse (10/350 µs) per line: 1.5 kA
D1 total lightning impulse current (10/350 µs): 3 kA
with signal disconnection for maintenance purposes
Conductor connection: Push-in

Brand: DEHN
Type: BCO ML2 BD HC5A 24
Part No.: 927254
or equivalent.

Certificates

 

Technical data

SPD class L
Nominal voltage (UN ) 24 V
Max. continuous operating voltage (d.c.) (UC ) 36 V
Nominal current at 80 °C (IL ) 5 A
D1 Lightning impulse current (10/350 µs) per line (Iimp ) 1.5 kA
C2 Total nominal discharge current (8/20 µs) (In ) 10 kA
Series resistance per line 0 ohm(s)
Approvals UL 497B, SIL
*) For details, see: www.dehn-international.com

Product 927254 was added to Notepad.

Product 927254 was added to the cart.


BCO ML2 BPD 24

Space-saving, modular combined arrester with a width of 6 mm and push-in connection technology with status indication for protecting one pair in 24 V DC systems. Also suitable for use with earthed negative pole; integrated PTC resistors allow for secure resetting of the arrester after interference in the system circuit with short-circuit currents of up to 40 A. With signal disconnection for maintenance purposes.

1 Product

Part No. 927214 BCO ML2 BPD 24

GTIN 4013364473003, Customs tariff No. (EU): 85363010, Gross weight: 58.00 g, PU: 1.00 pc(s)


Images

Additional information

Combined arrester BLITZDUCTORconnect ML2 BPD 24
Modular, pluggable combined arrester for protecting
a pair in 24 V DC systems,
Also suitable for use with an earthed negative pole,
with integrated PTC resistors for
overcurrent protection of up to 40 A
Tested to EN/IEC 61643-21 and energetically
coordinated according to IEC 61643-22
SPD class type 1 / P2
Impulse category: C1, C2, C3, B2, D1
Status indication, width of 6 mm
Max. continuous operating voltage: 33.0 V DC / 23.3 V AC
Nominal current at 70°C: 0.1 A
C2 nominal impulse discharge current per line (8/20): 5 kA
C2 total nominal impulse discharge current (8/20): 10 kA
D1 lightning current impulse (10/350 µs) per line: 1.5 kA
D1 total lightning impulse current (10/350 µs): 3 kA
with signal disconnection for maintenance purposes
Conductor connection: Push-in

Brand: DEHN
Type: BCO ML2 BPD 24
Part No.: 927214
or equivalent.

Certificates

 

Technical data

SPD class L
Nominal voltage (UN ) 24 V
Max. continuous operating voltage (d.c.) (UC ) 33 V
Nominal current at 70 °C (IL ) 0.1 A
D1 Lightning impulse current (10/350 µs) per line (Iimp ) 1.5 kA
C2 Total nominal discharge current (8/20 µs) (In ) 10 kA
Series resistance per line 10 ohm(s)
Cut-off frequency line-line (fG ) 4.5 MHz
Approvals UL 497B, SIL
*) For details, see: www.dehn-international.com

Product 927214 was added to Notepad.

Product 927214 was added to the cart.


BCO ML2 MVG 230

Space-saving, modular surge arrester with a width of 6 mm and push-in connection technology with status indication for protecting 2 lines of stranded unearthed signal interfaces with a nominal voltage of 230 V. With signal disconnection for maintenance purposes.
Meets, amongst other things, the requirements for signalling systems in the railway industry (e.g. DB RIL 819.0808 railway directive).

1 Product

Part No. 927290 BCO ML2 MVG 230

GTIN 4013364466524, Customs tariff No. (EU): 85363010, Gross weight: 60.12 g, PU: 1.00 pc(s)


Images

Additional information

Surge arrester BLITZDUCTORconnect ML2 MVG 230
modular, pluggable surge arrester
For protecting 2 lines of stranded
signal interfaces with a nominal voltage of 230 V AC.
Tested to EN/IEC 61643-21 and energetically
coordinated according to IEC 61643-22
SPD class type 2 / P3
Impulse category: C1, C2, C3
Status indication, width of 6 mm
Max. continuous operating voltage: 320 V DC / 250 V AC
Nominal current at 80°C: 3 A
C2 nominal impulse discharge current per line (8/20): 3 kA
C2 total nominal impulse discharge current (8/20): 6 kA
with signal disconnection for maintenance purposes
Conductor connection: Push-in
Compliant with DB Ril 819.0808.

Brand: DEHN
Type: BCO ML2 MVG 230
Part No.: 927290
or equivalent.

Certificates

 

Technical data

SPD class V
Nominal voltage (UN ) 230 V
Nominal current at 80 °C (IL ) 3 A
C2 Total nominal discharge current (8/20 µs) (In ) 6 kA
Series resistance per line 0 ohm(s)
Approvals SIL
*) For details, see: www.dehn-international.com

Product 927290 was added to Notepad.

Product 927290 was added to the cart.


BCO ML2 BD EX 24

Space-saving, modular combined arrester with a width of 6 mm and push-in connection technology with status indication for protecting one pair of intrinsically safe measuring circuits and bus systems, meets FISCO requirements. Insulation strength > 500 V line-ground. With signal disconnection for maintenance purposes.

1 Product

Part No. 927284 BCO ML2 BD EX 24

GTIN 4013364405677, Customs tariff No. (EU): 85363010, Gross weight: 65.18 g, PU: 1.00 pc(s)

Predecessor

Images

Additional information

Combined arrester BLITZDUCTORconnect ML2 BD EX 24
Modular, pluggable combined arrester for protecting
one pair of intrinsically safe measuring circuits and bus systems
Tested to EN/IEC 61643-21 and energy coordinated according
to IEC 61643-22
SPD class: type 1 / P2
Impulse category: C1, C2, C3, B2, D1
Status indication, width of 6 mm
Max. continuous operating voltage: 36.0 V DC / 25.4 V AC
Nominal current at 70°C: 0.75 A
Max. input voltage according to EN 60079-11: 30 V
Max. input current according to EN 60079-11: 0.5 A
C2 nominal discharge current per line (8/20): 5 kA
C2 total nominal discharge current (8/20): 10 kA
D1 lightning impulse current (10/350 µs) per line: 1.5 kA
D1 total lightning impulse current (10/350 µs): 3 kA
with signal disconnection for maintenance purposes
Cable connection: Push-in

Brand: DEHN
Type: BCO ML2 BD EX 24
Part No.: 927284
or equivalent.

Certificates

 

Technical data

SPD class L
Nominal voltage (UN ) 24 V
Max. continuous operating voltage (d.c.) (UC ) 36 V
Nominal current at 80 °C (IL ) 0.5 A
D1 Lightning impulse current (10/350 µs) per line (Iimp ) 1.5 kA
C2 Total nominal discharge current (8/20 µs) (In ) 10 kA
Series resistance per line 1 ohm(s)
Cut-off frequency line-line (fG ) 3.5 MHz
Approvals ATEX, IECEx, CCC, SIL
*) For details, see: www.dehn-international.com

Product 927284 was added to Notepad.

Product 927284 was added to the cart.


BCO MOD ML2 B

Protection module with a width of 6 mm for BLITZDUCTORconnect lightning current arrester with status inidication for protecting two single lines for lightning equipotential bonding as well as indirect earthing of shielded cables.

1 Product

Part No. 927010 BCO MOD ML2 B 180

GTIN 4013364410114, Customs tariff No. (EU): 85363010, Gross weight: 39.00 g, PU: 1.00 pc(s)


Images

Additional information

Lightning current arrester protection module
BLITZDUCTORconnect MOD ML2 B 180
Pluggable lightning current arrester module
for protecting two single lines for lightning
equipotential bonding as well as indirect earthing of shielded cables
Tested to EN/IEC 61643-21 and energy coordinated according
to IEC 61643-22
SPD class: type 1
Impulse category: C2, C3, B2, D1
Status indication, width of 6 mm
Max. continuous operating voltage: 180.0 V DC / 127.0 V AC
Nominal current at 80°C: 1.2 A
C2 nominal discharge current per line (8/20): 5 kA
C2 total nominal discharge current (8/20): 10 kA
D1 lightning impulse current (10/350 µs) per line: 1.5 kA
D1 total lightning impulse current (10/350 µs): 3 kA
Replacement module

Brand: DEHN
Type: BCO MOD ML2 B 180
Part No.: 927010
or equivalent.

Certificates

 

Technical data

SPD class A
Nominal voltage (UN ) 180 V
Max. continuous operating voltage (d.c.) (UC ) 180 V
D1 Lightning impulse current (10/350 µs) per line (Iimp ) 1.5 kA
C2 Total nominal discharge current (8/20 µs) (In ) 10 kA
Series resistance per line 0 ohm(s)
Approvals UL 497B, CSA, ATEX, IECEx, CCC, SIL
*) For details, see: www.dehn-international.com

Product 927010 was added to Notepad.

Product 927010 was added to the cart.


BCO MOD ML2 BE

Protection module with a width of 6 mm for BLITZDUCTORconnect combined arrester with status inidication for protecting two single lines sharing a common reference potential as well as unbalanced interfaces.

4 Products

Part No. 927022 BCO MOD ML2 BE 12

GTIN 4013364410121, Customs tariff No. (EU): 85363010, Gross weight: 39.00 g, PU: 1.00 pc(s)


Images

Additional information

Combined arrester protection module
BLITZDUCTORconnect MOD ML2 BE 12
Pluggable combined arrester module
for protecting two single lines sharing
a common reference potential as well as
unbalanced interfaces
Tested to EN/IEC 61643-21 and energy coordinated according
to IEC 61643-22
SPD class: type 1 / P1
Impulse category: C1, C2, C3, B2, D1
Status indication, width of 6 mm
Max. continuous operating voltage: 15.0 V DC / 10.6 V AC
Nominal current at 70°C: 0.75 A
C2 nominal discharge current per line (8/20): 5 kA
C2 total nominal discharge current (8/20): 10 kA
D1 lightning impulse current (10/350 µs) per line: 1.5 kA
D1 total lightning impulse current (10/350 µs): 3 kA
Replacement module

Brand: DEHN
Type: BCO MOD ML2 BE 12
Part No.: 927022
or equivalent.

Certificates

 

Technical data

SPD class M
Nominal voltage (UN ) 12 V
Max. continuous operating voltage (d.c.) (UC ) 15 V
Nominal current at 70 °C (IL ) 0.75 A
D1 Lightning impulse current (10/350 µs) per line (Iimp ) 1.5 kA
C2 Total nominal discharge current (8/20 µs) (In ) 10 kA
Series resistance per line 1 ohm(s)
Cut-off frequency line-line (fG ) 1.4 MHz
Approvals UL 497B, CSA, ATEX, IECEx, CCC, SIL
*) For details, see: www.dehn-international.com

Product 927022 was added to Notepad.

Product 927022 was added to the cart.

Part No. 927024 BCO MOD ML2 BE 24

GTIN 4013364410138, Customs tariff No. (EU): 85363010, Gross weight: 39.27 g, PU: 1.00 pc(s)


Images

Additional information

Combined arrester protection module
BLITZDUCTORconnect MOD ML2 BE 24
Pluggable combined arrester module
for protecting two single lines sharing
a common reference potential as well as
unbalanced interfaces
Tested to EN/IEC 61643-21 and energy
coordinated according to IEC 61643-22
SPD class: type 1 / P1
Impulse category: C1, C2, C3, B2, D1
Status indication, width of 6 mm
Max. continuous operating voltage: 33.0 V DC / 23.3 V AC
Nominal current at 70°C: 0.75 A
C2 nominal discharge current per line (8/20): 5 kA
C2 total nominal discharge current (8/20): 10 kA
D1 lightning impulse current (10/350 µs) per line: 1.5 kA
D1 total lightning impulse current (10/350 µs): 3 kA
Replacement module

Brand: DEHN
Type: BCO MOD ML2 BE 24
Part No.: 927024
or equivalent.

Certificates

 

Technical data

SPD class M
Nominal voltage (UN ) 24 V
Max. continuous operating voltage (d.c.) (UC ) 33 V
Nominal current at 70 °C (IL ) 0.75 A
D1 Lightning impulse current (10/350 µs) per line (Iimp ) 1.5 kA
C2 Total nominal discharge current (8/20 µs) (In ) 10 kA
Series resistance per line 1 ohm(s)
Cut-off frequency line-line (fG ) 3.4 MHz
Approvals UL 497B, CSA, ATEX, IECEx, CCC, SIL
*) For details, see: www.dehn-international.com

Product 927024 was added to Notepad.

Product 927024 was added to the cart.

Part No. 927025 BCO MOD ML2 BE 48

GTIN 4013364410145, Customs tariff No. (EU): 85363010, Gross weight: 39.00 g, PU: 1.00 pc(s)


Images

Additional information

Combined arrester protection module
BLITZDUCTORconnect MOD ML2 BE 48
Pluggable combined arrester module
for protecting two single lines sharing
a common reference potential as well as
unbalanced interfaces
Tested to EN/IEC 61643-21 and energy
coordinated according to IEC 61643-22
SPD class: type 1 / P1
Impulse category: C1, C2, C3, B2, D1
Status indication, width of 6 mm
Max. continuous operating voltage: 54.0 V DC / 38.1 V AC
Nominal current at 70°C: 0.75 A
C2 nominal discharge current per line (8/20): 5 kA
C2 total nominal discharge current (8/20): 10 kA
D1 lightning impulse current (10/350 µs) per line: 1.5 kA
D1 total lightning impulse current (10/350 µs): 3 kA
Replacement module

Brand: DEHN
Type: BCO MOD ML2 BE 48
Part No.: 927025
or equivalent.

Certificates

 

Technical data

SPD class M
Nominal voltage (UN ) 48 V
Max. continuous operating voltage (d.c.) (UC ) 54 V
Nominal current at 70 °C (IL ) 0.75 A
D1 Lightning impulse current (10/350 µs) per line (Iimp ) 1.5 kA
C2 Total nominal discharge current (8/20 µs) (In ) 10 kA
Series resistance per line 1 ohm(s)
Cut-off frequency line-line (fG ) 5 MHz
Approvals UL 497B, CSA, ATEX, IECEx, CCC, SIL
*) For details, see: www.dehn-international.com

Product 927025 was added to Notepad.

Product 927025 was added to the cart.

Part No. 927027 BCO MOD ML2 BE 180

GTIN 4013364468689, Customs tariff No. (EU): 85363010, Gross weight: 39.00 g, PU: 1.00 pc(s)


Images

Additional information

Combined arrester protection module
BLITZDUCTORconnect MOD ML2 BE 180
Pluggable combined arrester module
for protecting two single lines
sharing a common reference potential
as well as unbalanced interfaces
Tested to EN/IEC 61643-21 and
energy-coordinated according to IEC 61643-22
SPD class type 1 / P1
Impulse category: C1, C2, C3, B2, D1
Status indication, width of 6 mm
Max. continuous operating voltage: 180 V DC / 127 V AC
Nominal current at 70°C: 0.5 A
C2 nominal impulse discharge current per line (8/20): 5 kA
C2 total nominal impulse discharge current (8/20): 10 kA
D1 lightning current impulse (10/350 µs) per line: 1.5 kA
D1 total lightning impulse current (10/350 µs): 3 kA
Exchange module

Brand: DEHN
Type: BCO MOD ML2 BE 180
Part No.: 927027
or equivalent.

Certificates

 

Technical data

SPD class M
Nominal voltage (UN ) 180 V
Max. continuous operating voltage (d.c.) (UC ) 180 V
Nominal current at 70 °C (IL ) 0.5 A
D1 Lightning impulse current (10/350 µs) per line (Iimp ) 1.5 kA
C2 Total nominal discharge current (8/20 µs) (In ) 10 kA
Series resistance per line 1.8 ohm(s)
Cut-off frequency line-line (fG ) 10 MHz
Approvals UL 497B, SIL
*) For details, see: www.dehn-international.com

Product 927027 was added to Notepad.

Product 927027 was added to the cart.


BCO MOD ML2 BD

Protection module with a width of 6 mm for BLITZDUCTORconnect combined arrester with status inidication for protecting one pair of unearthed balanced interfaces.

4 Products

Part No. 927042 BCO MOD ML2 BD 12

GTIN 4013364410152, Customs tariff No. (EU): 85363010, Gross weight: 39.00 g, PU: 1.00 pc(s)


Images

Additional information

Combined arrester protection module
BLITZDUCTORconnect MOD ML2 BD 12
Pluggable combined arrester module
for protecting one pair of unearthed
balanced interfaces
Tested to EN/IEC 61643-21 and energy
coordinated according to IEC 61643-22
SPD class: type 1 / P2
Impulse category: C1, C2, C3, B2, D1
Status indication, width of 6 mm
Max. continuous operating voltage: 15.0 V DC / 10.6 V AC
Nominal current at 70°C: 0.75 A
C2 nominal discharge current per line (8/20): 5 kA
C2 total nominal discharge current (8/20): 10 kA
D1 lightning impulse current (10/350 µs) per line: 1.5 kA
D1 total lightning impulse current (10/350 µs): 3 kA
Replacement module

Brand: DEHN
Type: BCO MOD ML2 BD 12
Part No.: 927042
or equivalent.

Certificates

 

Technical data

SPD class L
Nominal voltage (UN ) 12 V
Max. continuous operating voltage (d.c.) (UC ) 15 V
Nominal current at 70 °C (IL ) 0.75 A
D1 Lightning impulse current (10/350 µs) per line (Iimp ) 1.5 kA
C2 Total nominal discharge current (8/20 µs) (In ) 10 kA
Series resistance per line 1 ohm(s)
Cut-off frequency line-line (fG ) 2.6 MHz
Approvals UL 497B, CSA, ATEX, IECEx, CCC, SIL
*) For details, see: www.dehn-international.com

Product 927042 was added to Notepad.

Product 927042 was added to the cart.

Part No. 927044 BCO MOD ML2 BD 24

GTIN 4013364410169, Customs tariff No. (EU): 85363010, Gross weight: 39.00 g, PU: 1.00 pc(s)


Images

Additional information

Combined arrester protection module
BLITZDUCTORconnect MOD ML2 BD 24
Pluggable combined arrester module
for protecting one pair of unearthed
balanced interfaces
Tested to EN/IEC 61643-21 and energy
coordinated according to IEC 61643-22
SPD class: type 1 / P2
Impulse category: C1, C2, C3, B2, D1
Status indication, width of 6 mm
Max. continuous operating voltage: 36.0 V DC / 25.4 V AC
Nominal current at 70°C: 0.75 A
C2 nominal discharge current per line (8/20): 5 kA
C2 total nominal discharge current (8/20): 10 kA
D1 lightning impulse current (10/350 µs) per line: 1.5 kA
D1 total lightning impulse current (10/350 µs): 3 kA
Replacement module

Brand: DEHN
Type: BCO MOD ML2 BD 24
Part No.: 927044
or equivalent.

Certificates

 

Technical data

SPD class L
Nominal voltage (UN ) 24 V
Max. continuous operating voltage (d.c.) (UC ) 36 V
Nominal current at 70 °C (IL ) 0.75 A
D1 Lightning impulse current (10/350 µs) per line (Iimp ) 1.5 kA
C2 Total nominal discharge current (8/20 µs) (In ) 10 kA
Series resistance per line 1 ohm(s)
Cut-off frequency line-line (fG ) 5.8 MHz
Approvals UL 497B, CSA, ATEX, IECEx, CCC, SIL
*) For details, see: www.dehn-international.com

Product 927044 was added to Notepad.

Product 927044 was added to the cart.

Part No. 927045 BCO MOD ML2 BD 48

GTIN 4013364410176, Customs tariff No. (EU): 85363010, Gross weight: 39.00 g, PU: 1.00 pc(s)


Images

Additional information

Combined arrester protection module
BLITZDUCTORconnect MOD ML2 BD 48
Pluggable combined arrester module
for protecting one pair of unearthed
balanced interfaces
Tested to EN/IEC 61643-21 and energy
coordinated according to IEC 61643-22
SPD class: type 1 / P2
Impulse category: C1, C2, C3, B2, D1
Status indication, width of 6 mm
Max. continuous operating voltage: 54.0 V DC / 38.1 V AC
Nominal current at 70°C: 0.75 A
C2 nominal discharge current per line (8/20): 5 kA
C2 total nominal discharge current (8/20): 10 kA
D1 lightning impulse current (10/350 µs) per line: 1.5 kA
D1 total lightning impulse current (10/350 µs): 3 kA
Replacement module

Brand: DEHN
Type: BCO MOD ML2 BD 48
Part No.: 927045
or equivalent.

Certificates

 

Technical data

SPD class L
Nominal voltage (UN ) 48 V
Max. continuous operating voltage (d.c.) (UC ) 56 V
Nominal current at 70 °C (IL ) 0.75 A
D1 Lightning impulse current (10/350 µs) per line (Iimp ) 1.5 kA
C2 Total nominal discharge current (8/20 µs) (In ) 10 kA
Series resistance per line 1 ohm(s)
Cut-off frequency line-line (fG ) 7.2 MHz
Approvals UL 497B, CSA, ATEX, IECEx, CCC, SIL
*) For details, see: www.dehn-international.com

Product 927045 was added to Notepad.

Product 927045 was added to the cart.

Part No. 927047 BCO MOD ML2 BD 180

GTIN 4013364468672, Customs tariff No. (EU): 85363010, Gross weight: 39.00 g, PU: 1.00 pc(s)


Images

Additional information

Combined arrester protection module
BLITZDUCTORconnect MOD ML2 BD 180
Pluggable combined arrester module
For protecting one pair
of unearthed balanced interfaces
Tested to EN/IEC 61643-21 and
energy-coordinated according to IEC 61643-22
SPD class type 1 / P2
Impulse category: C1, C2, C3, B2, D1
Status indication, width of 6 mm
Max. continuous operating voltage: 180 V DC / 127 V AC
Nominal current at 70°C: 0.5 A
C2 nominal impulse discharge current per line (8/20): 5 kA
C2 total nominal impulse discharge current (8/20): 10 kA
D1 lightning current impulse (10/350 µs) per line: 1.5 kA
D1 total lightning impulse current (10/350 µs): 3 kA
Exchange module

Brand: DEHN
Type: BCO MOD ML2 BD 180
Part No.: 927047
or equivalent.

Certificates

 

Technical data

SPD class L
Nominal voltage (UN ) 180 V
Max. continuous operating voltage (d.c.) (UC ) 180 V
Nominal current at 70 °C (IL ) 0.5 A
D1 Lightning impulse current (10/350 µs) per line (Iimp ) 1.5 kA
C2 Total nominal discharge current (8/20 µs) (In ) 10 kA
Series resistance per line 1.8 ohm(s)
Cut-off frequency line-line (fG ) 10 MHz
Approvals UL 497B, SIL
*) For details, see: www.dehn-international.com

Product 927047 was added to Notepad.

Product 927047 was added to the cart.


BCO MOD ML2 BE HF

Protection module with a width of 6 mm for BLITZDUCTORconnect combined arrester with status inidication for protecting two single lines of high-frequency transmissions sharing a common reference potential as well as unbalanced interfaces.

2 Products

Part No. 927070 BCO MOD ML2 BE HF 5

GTIN 4013364410183, Customs tariff No. (EU): 85363010, Gross weight: 39.00 g, PU: 1.00 pc(s)


Images

Additional information

Combined arrester protection module
BLITZDUCTORconnect MOD ML2 BE HF 5
Pluggable combined arrester module
for protecting two single lines of
high-frequency transmissions sharing
a common reference potential as well as
unbalanced interfaces
Tested to EN/IEC 61643-21 and energy
coordinated according to IEC 61643-22
SPD class: type 1 / P1
Impulse category: C1, C2, C3, B2, D1
Status indication, width of 6 mm
Max. continuous operating voltage: 8.5 V DC / 6.0 V AC
Nominal current at 70°C: 0.75 A
C2 nominal discharge current per line (8/20): 5 kA
C2 total nominal discharge current (8/20): 10 kA
D1 lightning impulse current (10/350 µs) per line: 1.5 kA
D1 total lightning impulse current (10/350 µs): 3 kA
Replacement module

Brand: DEHN
Type: BCO MOD ML2 BE HF 5
Part No.: 927070
or equivalent.

Certificates

 

Technical data

SPD class M
Nominal voltage (UN ) 5 V
Max. continuous operating voltage (d.c.) (UC ) 8.5 V
Nominal current at 70 °C (IL ) 0.75 A
D1 Lightning impulse current (10/350 µs) per line (Iimp ) 1.5 kA
C2 Total nominal discharge current (8/20 µs) (In ) 10 kA
Series resistance per line 1 ohm(s)
Approvals UL 497B, CSA, ATEX, IECEx, CCC, SIL
*) For details, see: www.dehn-international.com

Product 927070 was added to Notepad.

Product 927070 was added to the cart.

Part No. 927074 BCO MOD ML2 BE HF 24

GTIN 4013364468573, Customs tariff No. (EU): 85363010, Gross weight: 39.00 g, PU: 1.00 pc(s)


Images

Additional information

Combined arrester protection module
BLITZDUCTORconnect MOD ML2 BE HF 24
Pluggable combined arrester module
For protecting two single lines of high-frequency
transmissions with a common reference potential
as well as unbalanced interfaces
Tested to EN/IEC 61643-21 and energetically
coordinated according to IEC 61643-22
SPD class type 1 / P1
Impulse category: C1, C2, C3, B2, D1
Status indication, width of 6 mm
Max. continuous operating voltage: 36 V DC / 25.4 V AC
Nominal current at 70°C: 0.75 A
Cut-off frequency 100 MHz
C2 nominal impulse discharge current per line (8/20): 5 kA
C2 total nominal impulse discharge current (8/20): 10 kA
D1 lightning current impulse (10/350 µs) per line: 1.5 kA
D1 total lightning impulse current (10/350 µs): 3 kA
Exchange module

Brand: DEHN
Type: BCO MOD ML2 BE HF 24
Part No.: 927074
or equivalent.

Certificates

 

Technical data

SPD class M
Nominal voltage (UN ) 24 V
Max. continuous operating voltage (d.c.) (UC ) 36 V
Nominal current at 70 °C (IL ) 0.75 A
D1 Lightning impulse current (10/350 µs) per line (Iimp ) 1.5 kA
C2 Total nominal discharge current (8/20 µs) (In ) 10 kA
Series resistance per line 1 ohm(s)
Approvals UL 497B, SIL
*) For details, see: www.dehn-international.com

Product 927074 was added to Notepad.

Product 927074 was added to the cart.


BCO MOD ML2 BD HF

Protection module with a width of 6 mm for BLITZDUCTORconnect combined arrester with status inidication for protecting one pair of unearthed high-frequency bus systems as well as balanced interfaces.

2 Products

Part No. 927071 BCO MOD ML2 BD HF 5

GTIN 4013364410190, Customs tariff No. (EU): 85363010, Gross weight: 39.00 g, PU: 1.00 pc(s)


Images

Additional information

Combined arrester protection module
BLITZDUCTORconnect MOD ML2 BD HF 5
Pluggable combined arrester module
for protecting one pair of unearthed
high-frequency bus systems as well as
balanced interfaces
Tested to EN/IEC 61643-21 and energy
coordinated according to IEC 61643-22
SPD class: type 1 / P2
Impulse category: C1, C2, C3, B2, D1
Status indication, width of 6 mm
Max. continuous operating voltage: 8.5 V DC / 6.0 V AC
Nominal current at 70°C: 0.75 A
Cut-off frequency: 100 MHz
C2 nominal discharge current per line (8/20): 5 kA
C2 total nominal discharge current (8/20): 10 kA
D1 lightning impulse current (10/350 µs) per line: 1.5 kA
D1 total lightning impulse current (10/350 µs): 3 kA
Replacement module

Brand: DEHN
Type: BCO MOD ML2 BD HF 5
Part No.: 927071
or equivalent.

Certificates

 

Technical data

SPD class L
Nominal voltage (UN ) 5 V
Max. continuous operating voltage (d.c.) (UC ) 8.5 V
Nominal current at 70 °C (IL ) 0.75 A
D1 Lightning impulse current (10/350 µs) per line (Iimp ) 1.5 kA
C2 Total nominal discharge current (8/20 µs) (In ) 10 kA
Series resistance per line 1 ohm(s)
Cut-off frequency line-line (fG ) 100 MHz
Approvals UL 497B, CSA, ATEX, IECEx, CCC, SIL
*) For details, see: www.dehn-international.com

Product 927071 was added to Notepad.

Product 927071 was added to the cart.

Part No. 927075 BCO MOD ML2 BD HF 24

GTIN 4013364468580, Customs tariff No. (EU): 85363010, Gross weight: 39.00 g, PU: 1.00 pc(s)


Images

Additional information

Combined arrester protection module
BLITZDUCTORconnect MOD ML2 BD HF 24
Pluggable combined arrester module
For protecting 1 pair of unearthed
high-frequency bus systems
and balanced interfaces
Tested to EN/IEC 61643-21 and energetically
coordinated according to IEC 61643-22
SPD class type 1 / P2
Impulse category: C1, C2, C3, B2, D1
Status indication, width of 6 mm
Max. continuous operating voltage: 36 V DC / 25.4 V AC
Nominal current at 70°C: 0.75 A
Cut-off frequency 100 MHz
C2 nominal impulse discharge current per line (8/20): 5 kA
C2 total nominal impulse discharge current (8/20): 10 kA
D1 lightning current impulse (10/350 µs) per line: 1.5 kA
D1 total lightning impulse current (10/350 µs): 3 kA
Exchange module

Brand: DEHN
Type: BCO MOD ML2 BD HF 24
Part No.: 927075
or equivalent.

Certificates

 

Technical data

SPD class L
Nominal voltage (UN ) 24 V
Max. continuous operating voltage (d.c.) (UC ) 36 V
Nominal current at 70 °C (IL ) 0.75 A
D1 Lightning impulse current (10/350 µs) per line (Iimp ) 1.5 kA
C2 Total nominal discharge current (8/20 µs) (In ) 10 kA
Series resistance per line 1 ohm(s)
Cut-off frequency line-line (fG ) 100 MHz
Approvals UL 497B, SIL
*) For details, see: www.dehn-international.com

Product 927075 was added to Notepad.

Product 927075 was added to the cart.


BCO MOD ML2 BD HC5A 24

1 Product

Part No. 927054 BCO MOD ML2 BD HC5A 24

GTIN 4013364513426, Customs tariff No. (EU): 85363010, Gross weight: 41.00 g, PU: 1.00 pc(s)


Images

Additional information

Combined arrester protection module
BLITZDUCTORconnect MOD ML2 BD HC5A 24
Pluggable combined arrester module
for the protection of 1 pair of unearthed
signal circuits with a high nominal current
in IT systems and measuring and control circuits.
Tested to EN/IEC 61643-21 and energetically
coordinated according to IEC 61643-22
SPD class type 1 / P2
Impulse category: C1, C2, C3, B2, D1
Status indication, width of 6 mm
Max. continuous operating voltage: 36 V DC / 25.4 V AC
Nominal current at 80°C: 5 A
C2 nominal impulse discharge current per line (8/20): 5 kA
C2 total nominal impulse discharge current (8/20): 10 kA
D1 lightning current impulse (10/350 µs) per line: 1.5 kA
D1 total lightning impulse current (10/350 µs): 3 kA
Exchange module

Brand: DEHN
Type: BCO MOD ML2 BD HC5A 24
Part No.: 927054
or equivalent.

Certificates

 

Technical data

SPD class L
Nominal voltage (UN ) 24 V
Max. continuous operating voltage (d.c.) (UC ) 36 V
Nominal current at 80 °C (IL ) 5 A
D1 Lightning impulse current (10/350 µs) per line (Iimp ) 1.5 kA
C2 Total nominal discharge current (8/20 µs) (In ) 10 kA
Series resistance per line 0 ohm(s)
Approvals UL 497B, SIL
*) For details, see: www.dehn-international.com

Product 927054 was added to Notepad.

Product 927054 was added to the cart.


BCO MOD ML2 BPD

Combined arrester protection module with a width of 6 mm for BLITZDUCTORconnect with status indication for protecting one pair in 24 V DC systems. Also suitable for use with an earthed negative pole. Integrated PTC resistors allow for secure resetting of the arrester after interference in the system circuit with short-circuit currents of up to 40 A.

1 Product

Part No. 927014 BCO MOD ML2 BPD 24

GTIN 4013364473010, Customs tariff No. (EU): 85363010, Gross weight: 39.00 g, PU: 1.00 pc(s)


Images

Additional information

Combined arrester protection module BLITZDUCTORconnect MOD ML2 BPD 24
Pluggable combined arrester module for protecting
a pair in 24 V DC systems; also suitable for use
with an earthed negative pole;
with integrated PTC resistors for
overcurrent protection of up to 40 A
Tested to EN/IEC 61643-21 and energetically
coordinated according to IEC 61643-22
SPD class type 1 / P2
Impulse category: C1, C2, C3, B2, D1
Status indication, width of 6 mm
Max. continuous operating voltage: 33.0 V DC / 23.3 V AC
Nominal current at 70°C: 0.1 A
C2 nominal impulse discharge current per line (8/20): 5 kA
C2 total nominal impulse discharge current (8/20): 10 kA
D1 lightning current impulse (10/350 µs) per line: 1.5 kA
D1 total lightning impulse current (10/350 µs): 3 kA
Exchange module

Brand: DEHN
Type: BCO MOD ML2 BPD 24
Part No.: 927014
or equivalent.

Certificates

 

Technical data

SPD class L
Nominal voltage (UN ) 24 V
Max. continuous operating voltage (d.c.) (UC ) 33 V
Nominal current at 70 °C (IL ) 0.1 A
D1 Lightning impulse current (10/350 µs) per line (Iimp ) 1.5 kA
C2 Total nominal discharge current (8/20 µs) (In ) 10 kA
Series resistance per line 10 ohm(s)
Cut-off frequency line-line (fG ) 4.5 MHz
Approvals UL 497B, SIL
*) For details, see: www.dehn-international.com

Product 927014 was added to Notepad.

Product 927014 was added to the cart.


BCO MOD ML2 MVG 230

Surge arrester protection module with a width of 6 mm for BLITZDUCTORconnect with status indication for protecting 2 lines of stranded unearthed signal interfaces with a nominal voltage of 230 V.
Meets, amongst other things, the requirements for signalling systems in the railway industry (e.g. DB RIL 819.0808 railway directive).

1 Product

Part No. 927090 BCO MOD ML2 MVG 230

GTIN 4013364466531, Customs tariff No. (EU): 85363010, Gross weight: 39.00 g, PU: 1.00 pc(s)


Images

Additional information

Surge arrester protection module
BLITZDUCTORconnect MOD ML2 MVG 230
Pluggable surge arrester module
For protecting 2 lines of stranded
signal interfaces with a nominal voltage of 230 V AC.
Tested to EN/IEC 61643-21 and energetically
coordinated according to IEC 61643-22
SPD class type 2 / P3
Impulse category: C1, C2, C3
Status indication, width of 6 mm
Max. continuous operating voltage: 320 V DC / 250 V AC
Nominal current at 80°C: 3 A
C2 nominal impulse discharge current per line (8/20): 3 kA
C2 total nominal impulse discharge current (8/20): 6 kA
Exchange module
Compliant with DB Ril 819.0808.

Brand: DEHN
Type: BCO MOD ML2 MVG 230
Part No.: 927090
or equivalent.

Certificates

 

Technical data

SPD class V
Nominal voltage (UN ) 230 V
Nominal current at 80 °C (IL ) 3 A
C2 Total nominal discharge current (8/20 µs) (In ) 6 kA
Series resistance per line 0 ohm(s)
Approvals SIL
*) For details, see: www.dehn-international.com

Product 927090 was added to Notepad.

Product 927090 was added to the cart.


BCO MOD ML2 BD EX 24

Protection module with a width of 6 mm for BLITZDUCTORconnect combined arresters with status indication for protecting one pair of intrinsically safe measuring circuits and bus systems, meets FISCO requirements. Insulation strength > 500 V line-ground.

1 Product

Part No. 927084 BCO MOD ML2 BD EX 24

GTIN 4013364410206, Customs tariff No. (EU): 85363010, Gross weight: 39.00 g, PU: 1.00 pc(s)


Images

Additional information

Combined arrester protection module
BLITZDUCTORconnect MOD ML2 BD EX 24
Pluggable combined arrester module
for protecting one pair of intrinsically safe
measuring circuits and bus systems
Tested to EN/IEC 61643-21 and energy
coordinated according to IEC 61643-22
SPD class: type 1 / P2
Impulse category: C1, C2, C3, B2, D1
Status indication, width of 6 mm
Max. continuous operating voltage: 36.0 V DC / 25.4 V AC
Nominal current at 70°C: 0.75 A
Max. input voltage according to EN 60079-11: 30 V
Max. input current according to EN 60079-11: 0.5 A
C2 nominal discharge current per line (8/20): 5 kA
C2 total nominal discharge current (8/20): 10 kA
D1 lightning impulse current (10/350 µs) per line: 1.5 kA
D1 total lightning impulse current (10/350 µs): 3 kA
Replacement module

Brand: DEHN
Type: BCO MOD ML2 BD EX 24
Part No.: 927084
or equivalent.

Certificates

 

Technical data

SPD class L
Nominal voltage (UN ) 24 V
Max. continuous operating voltage (d.c.) (UC ) 36 V
Nominal current at 80 °C (IL ) 0.5 A
D1 Lightning impulse current (10/350 µs) per line (Iimp ) 1.5 kA
C2 Total nominal discharge current (8/20 µs) (In ) 10 kA
Series resistance per line 1 ohm(s)
Cut-off frequency line-line (fG ) 3.5 MHz
Approvals ATEX, IECEx, CCC, SIL
*) For details, see: www.dehn-international.com

Product 927084 was added to Notepad.

Product 927084 was added to the cart.


back to top